×
搜索
搜索
网站导航
首 页
关于稳畅
产品中心
新闻中心
联系我们
应用领域
公司实景
资质认证
视频中心
您的位置:
首页
→
产品中心
→
排线系列
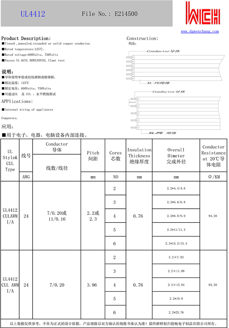
UL4412 XL-PE低烟无卤排线
上一个:UL4411 XL-PE低烟无卤排线
下一个:UL4478 XL-PE低烟无卤排线
详情介绍
东莞市稳畅电子制品有限公司 版权所有